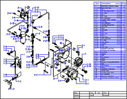
爆炸圖
把各零件統統集中畫在一大張的圖紙內,所有零件以立體方式依其正常位置表示。
樣品1
樣品2
樣品3
樣品4
樣品5
樣品6
樣品7
樣品8
樣品9
第一頁
***
多加機械製圖工作室
(02)8283-3569 / 0930-928269 ***